专利号:2022104856896
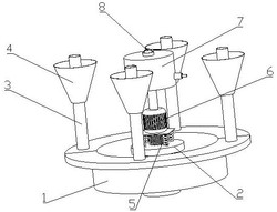
一种离心纺丝的收集装置,包括支撑座、喷液容器与电机,所述喷液容器包括进液管、液腔与喷丝管,所述进液管与所述液腔的上端相连通,所述喷丝管与所述液腔的侧围相连通,所述收集装置还包括收集盘、喷气容器与收集棒,所述喷气容器的下端连接于所述电机的输出轴,所述喷液容器位于所述喷气容器的内部,所述喷气容器的外部环绕有收集棒,所述收集棒的下端连接于所述收集盘,所述收集盘的下端连接于所述支撑座,所述喷气容器包括进气管、气腔与喷气管,所述进气管位于所述进液管的外部且与所述气腔相连通,所述气腔的底部的内端面与所述液腔的底部相连接。本设计引导性较强,纺丝收集效果较好,脱丝效果较佳。
