专利号:201810742076X
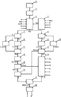
本发明涉及一种用于舰载机传感器系统预防检修阈强度和次数优化的方法。舰载机传感器系统首先生成预防检修剩余退化量的概率密度函数,根据预防检修后进行预防检修更换概率和作废更换概率,解算得到舰载机传感器系统寿命周期和维护总费用,解算得到长期期望费用率,经过优化得到最优预防检修阈强度和预防检修次数限制。此发明的优点在于舰载机传感器系统寿命周期预测模型采用非线性退化过程描述,同时优化模型中考虑了预防检修阈强度和预防检修次数限制两个主要变量对长期维护费用率的影响,最优长期维护费用率更低,同时为维护检修时的参数设定提供参考。本发明通过仿真实验验证了所提方法的可靠性和有效性。
